Highland Park, IL 60035
ph: 847-271-5229
fax: 847-433-0532
info
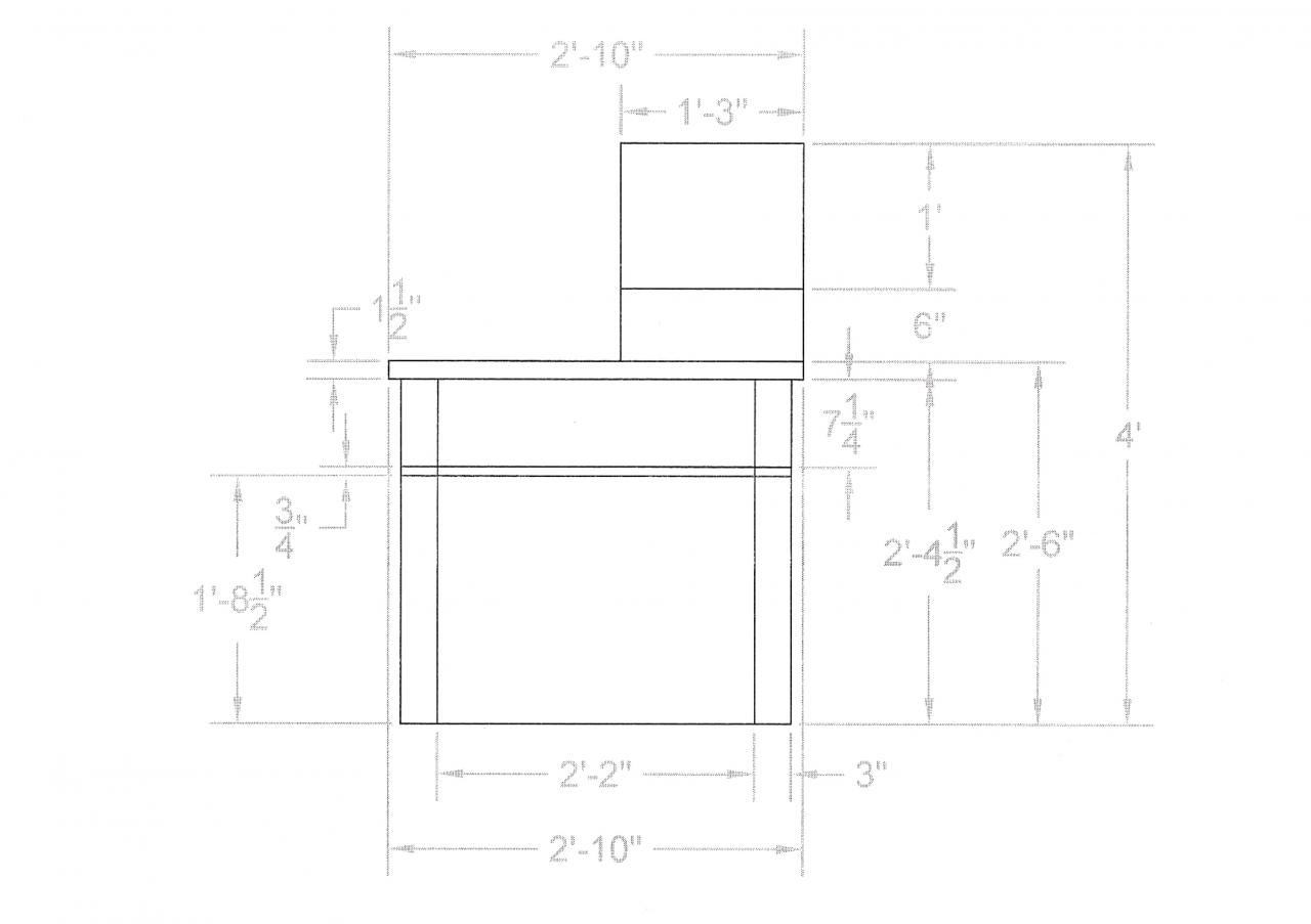
We were approached by a client in Chicago who wanted a side-by-side desk. He had a brief sketch showing just what he needed. Unfortunately it takes more than a sketch to build a complex piece of furniture, so with the assistance of AutoCad a set of working drawings were produced, part of which can be seen here (pictures 1-3). In order to keep costs under control, the desk was constructed from solid stock maple and cabinet grade maple plywood with solid wood edging and then stained and finished to the client's specifications. The cubbyholes on top can be removed if desired. As well the central drawer section and the legs can be removed for transport.
Also...This project is located in Chicago, Illinois
For more information on this project or others please contact us at :
Copyright 2010 R.L.Gleason, Inc.. All rights reserved.
Highland Park, IL 60035
ph: 847-271-5229
fax: 847-433-0532
info